


This product is composed of circuit breakers, disconnectors, grounding switches, transformers, lightning arresters, busbars, bushings or cable terminals and other electrical components directly connected to each other. All components are located in a grounded metal shell filled with SF6 gas for insulation and arc extinguishing. It is suitable for indoor and outdoor installation and operation.
Product name:
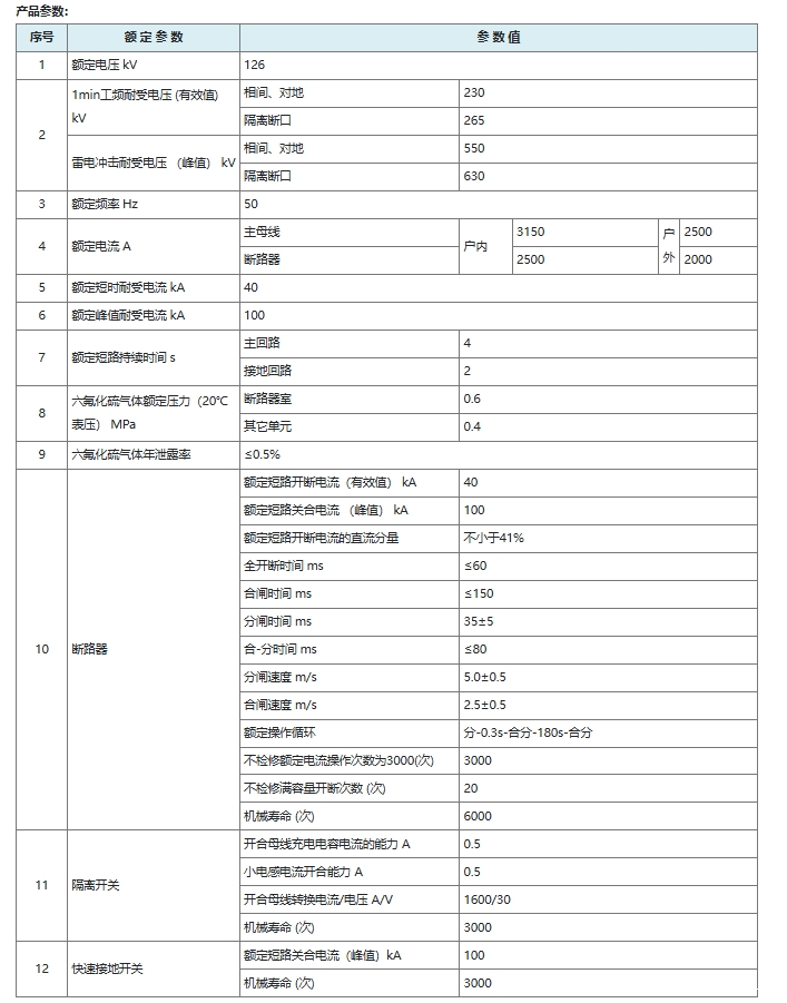
ELH1-126/T2500-40 Gas Insulated Metal Enclosed Switchgear (GIS)
Product Introduction:
This product is composed of circuit breakers, disconnectors, grounding switches, transformers, lightning arresters, busbars, bushings or cable terminals and other electrical components directly connected to each other. All components are located in a grounded metal casing filled with SF6 gas for insulation and arc extinguishing. Suitable for indoor and outdoor installation and operation.
Product Features:
1. The product has a vertical structure and occupies a small space;
2. Building block-style module design, small space;
3. Few sealing links and high reliability;
4. Light weight and long life;
5. Large units pre-installed and tested in the factory are widely used, with a short installation period.
